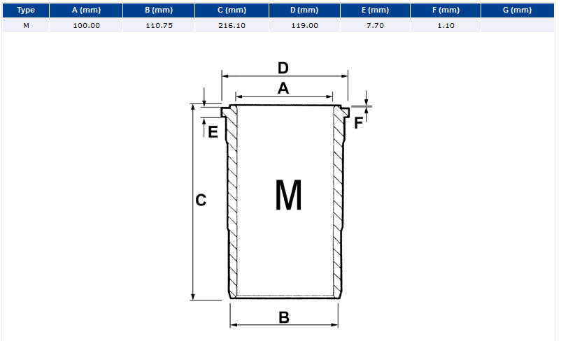
25/35-66, 3144682R3
CaseI.H.
, ,Tractor
, ,Serie: 4000
, ,4220, 4230, 4240
, ,Serie: 44
, ,844, 844S, 844XL
, ,Serie: 45
, ,845, 845XL
, ,Serie: 55
, ,1455, 1455XL
, ,Serie: 84
, ,784, 884
, ,Serie: 85
, ,785, 785XL, 885, 885XL
, ,Serie: 95
, ,795, 795XL, 895, 895XL, 995, 995XL
, ,Serie: Classique
, ,278, 824,
, ,D268 - IH
, ,DT268 - IH
, ,D246 - IH
, ,DT402 - IH
Piesele au stoc real. Imaginile produselor au caracter informativ. Codurile sunt doar pentru referinta


